
22.261.20 | VAIA
Be- und Entlüftungsventil, ABS, Klebemuffe, EPDM
- Anschluss: beidseitige Klebemuffe
- Dichtung: EPDM (FKM auf Anfrage)
- Kugel aus PP-H
- Be- und Entlüftungsventile sind zum Entlüften und Belüften (Vermeidung einer Vakuumbildung) von Behältern und Rohrleitungen geeignet.
- Be- und Entlüftungsventile dürfen nur in senkrechte Leitungen eingebaut werden
Dichtung: EPDM
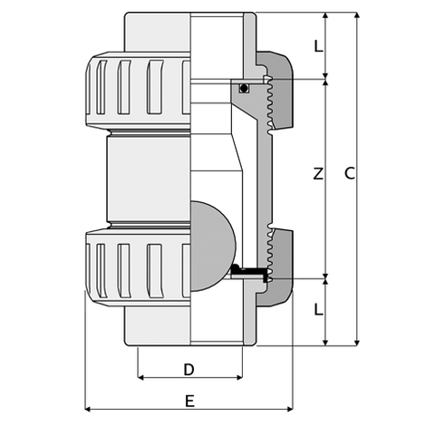
Artikel | d | DN | PN | C | E | L | Z | Gewicht [kg] | VE |
---|---|---|---|---|---|---|---|---|---|
122261020020 | 20 | 15 | 10 | 82 | 50 | 17 | 48 | 0,370 | 120 |
122261020025 | 25 | 20 | 10 | 93 | 59 | 19 | 55 | 0,370 | 80 |
122261020032 | 32 | 25 | 10 | 106 | 68 | 22 | 62 | 0,150 | 50 |
122261020040 | 40 | 32 | 10 | 127 | 80 | 26 | 75 | 0,100 | 30 |
122261020050 | 50 | 40 | 10 | 146 | 96 | 31 | 84 | 0,940 | 20 |
122261020063 | 63 | 50 | 10 | 175 | 116 | 38 | 99 | 0,940 | 10 |