PEA 30
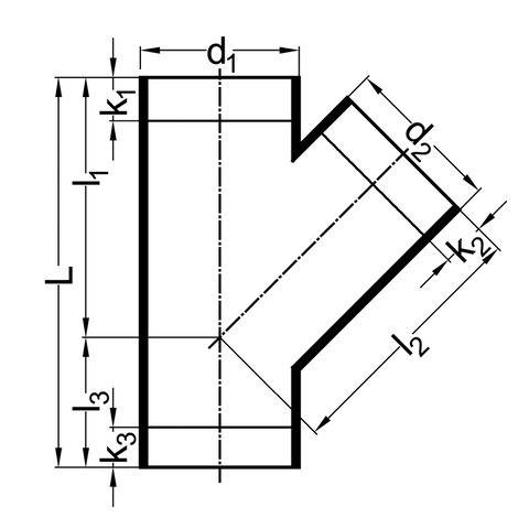
Abzweig 45°, PE-Abfluss
- formgespritzt
- alle Artikel sind mit akafusion Heizwendelschweißmuffen schweißbar
- Material: PE 80
| Artikel | d1 | d2 | L | l1 | l2 | l3 | Gewicht [kg] | VE | |
|---|---|---|---|---|---|---|---|---|---|
| 300404 | 40 | 40 | 135 | 90 | 90 | 45 | 0,070 | 40 | |
| 300504 | 50 | 40 | 165 | 110 | 110 | 55 | 0,100 | 40 | |
| 300505 | 50 | 50 | 165 | 110 | 110 | 55 | 0,110 | 40 | |
| 305604 | 56 | 40 | 180 | 120 | 120 | 60 | 0,120 | 20 | |
| 305605 | 56 | 50 | 180 | 120 | 120 | 60 | 0,130 | 20 | |
| 305656 | 56 | 56 | 180 | 120 | 120 | 60 | 0,130 | 20 | |
| 300604 | 63 | 40 | 195 | 130 | 130 | 65 | 0,150 | 20 | |
| 300605 | 63 | 50 | 195 | 130 | 130 | 65 | 0,150 | 20 | |
| 300656 | 63 | 56 | 195 | 130 | 130 | 65 | 0,160 | 20 | |
| 300606 | 63 | 63 | 195 | 130 | 130 | 65 | 0,160 | 20 | |
| 300704 | 75 | 40 | 210 | 140 | 140 | 70 | 0,180 | 20 | |
| 300705 | 75 | 50 | 210 | 140 | 140 | 70 | 0,190 | 20 | |
| 300756 | 75 | 56 | 210 | 140 | 140 | 70 | 0,190 | 20 | |
| 300706 | 75 | 63 | 210 | 140 | 140 | 70 | 0,200 | 20 | |
| 300707 | 75 | 75 | 210 | 140 | 140 | 70 | 0,210 | 20 | |
| 300904 | 90 | 40 | 240 | 160 | 160 | 80 | 0,180 | 10 | |
| 300905 | 90 | 50 | 240 | 160 | 160 | 80 | 0,290 | 10 | |
| 300956 | 90 | 56 | 240 | 160 | 160 | 80 | 0,290 | 10 | |
| 300906 | 90 | 63 | 240 | 160 | 160 | 80 | 0,300 | 10 | |
| 300907 | 90 | 75 | 240 | 160 | 160 | 80 | 0,300 | 10 | |
| 300909 | 90 | 90 | 240 | 160 | 160 | 80 | 0,330 | 15 | |
| 301104 | 110 | 40 | 270 | 180 | 180 | 90 | 0,440 | 10 | |
| 301105 | 110 | 50 | 270 | 180 | 180 | 90 | 0,450 | 10 | |
| 301156 | 110 | 56 | 270 | 180 | 180 | 90 | 0,450 | 10 | |
| 301106 | 110 | 63 | 270 | 180 | 180 | 90 | 0,450 | 10 | |
| 301107 | 110 | 75 | 270 | 180 | 180 | 90 | 0,470 | 10 | |
| 301109 | 110 | 90 | 270 | 180 | 180 | 90 | 0,490 | 10 | |
| 301111 | 110 | 110 | 270 | 180 | 180 | 90 | 0,550 | 15 | |
| 301205 | 125 | 50 | 300 | 200 | 200 | 100 | 0,600 | 10 | |
| 301256 | 125 | 56 | 300 | 200 | 200 | 100 | 0,600 | 10 | |
| 301206 | 125 | 63 | 300 | 200 | 200 | 100 | 0,610 | 10 | |
| 301207 | 125 | 75 | 300 | 200 | 200 | 100 | 0,650 | 10 | |
| 301209 | 125 | 90 | 300 | 200 | 200 | 100 | 0,620 | 10 | |
| 301211 | 125 | 110 | 300 | 200 | 200 | 100 | 0,700 | 10 | |
| 301212 | 125 | 125 | 300 | 200 | 200 | 100 | 0,760 | 5 | |
| 1 | 301605 | 160 | 50 | 375 | 250 | 250 | 125 | - | 5 |
| 1 | 301656 | 160 | 56 | 375 | 250 | 250 | 125 | - | 5 |
| 1 | 301606 | 160 | 63 | 375 | 250 | 250 | 125 | 1,300 | 5 |
| 301607 | 160 | 75 | 375 | 250 | 250 | 125 | 1,300 | 5 | |
| 301609 | 160 | 90 | 375 | 250 | 250 | 125 | 1,300 | 5 | |
| 301611 | 160 | 110 | 375 | 250 | 250 | 125 | 1,330 | 5 | |
| 301612 | 160 | 125 | 375 | 250 | 250 | 125 | 1,250 | 5 | |
| 301616 | 160 | 160 | 375 | 250 | 250 | 125 | 1,450 | 5 | |
| 1 | 302005 | 200 | 50 | 540 | 310 | 310 | 180 | 2,150 | 1 |
| 1 | 302056 | 200 | 56 | 540 | 310 | 310 | 180 | - | 1 |
| 1 | 302006 | 200 | 63 | 540 | 310 | 310 | 180 | - | 1 |
| 1 | 302007 | 200 | 75 | 540 | 360 | 310 | 180 | 2,150 | 1 |
| 1 | 302009 | 200 | 90 | 540 | 360 | 355 | 180 | 2,210 | 1 |
| 1 | 302011 | 200 | 110 | 540 | 360 | 360 | 180 | 2,200 | 1 |
| 1 | 302012 | 200 | 125 | 540 | 360 | 360 | 180 | 2,310 | 1 |
| 1 | 302016 | 200 | 160 | 540 | 360 | 360 | 180 | 2,480 | 1 |
| 1 | 302020 | 200 | 200 | 540 | 360 | 360 | 180 | 3,970 | 1 |
| 1 | 302507 | 250 | 75 | 700 | 468 | 385 | 232 | 4,290 | 1 |
| 1 | 302509 | 250 | 90 | 700 | 468 | 390 | 232 | 4,290 | 1 |
| 1 | 302511 | 250 | 110 | 700 | 453 | 592 | 247 | 4,290 | 1 |
| 1 | 302512 | 250 | 125 | 700 | 444 | 474 | 257 | 4,300 | 1 |
| 1 | 302516 | 250 | 160 | 700 | 468 | 507 | 232 | 4,600 | 1 |
| 1 | 302520 | 250 | 200 | 700 | 447 | 597 | 254 | 7,900 | 1 |
| 1 | 302525 | 250 | 250 | 900 | 600 | 600 | 300 | 8,050 | 1 |
| 1 | 303107 | 315 | 75 | 830 | 570 | 440 | 260 | 8,390 | 1 |
| 1 | 303109 | 315 | 90 | 830 | 570 | 430 | 260 | 8,390 | 1 |
| 1 | 303111 | 315 | 110 | 830 | 555 | 618 | 275 | 8,390 | 1 |
| 1 | 303112 | 315 | 125 | 830 | 556 | 600 | 274 | 8,400 | 1 |
| 1 | 303116 | 315 | 160 | 830 | 551 | 583 | 280 | 8,600 | 1 |
| 1 | 303120 | 315 | 200 | 830 | 559 | 603 | 272 | 9,000 | 1 |
| 1 | 303125 | 315 | 250 | 830 | 564 | 648 | 266 | 9,750 | 1 |
| 1 | 303131 | 315 | 315 | 950 | 610 | 610 | 340 | 13,000 | 1 |
1 segmentgeschweißt